12:46 Простой и хороший FM жучек | |
|
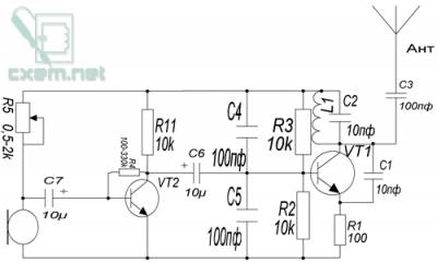
Автор разработки: Виталий Схема принципиальная Простой и хороший FM жучекЭтот жучек состоит из двух основных частей: передатчика и микрофонного усилителя. Первая часть собрана на транзисторе VT1 и колебательном контуре L1 - C2. На транзисторе VT2 собран простейший микрофонный усилитель. Сам жучек есть простенький, но при правильной настройке дает очень даже не плохой результат роботы. Это устройство можно использовать для прослушки на небольших расстояниях (около 50-100м). Это если ловить китайским приемником, если слушать телефоном или сканером, то дальность приема уменьшиться приблизительно на 50 метров! Технические характеристики жучка: Расстояние приема – (50 – 100м) Напряжение питания – 3 – 12в Употребляемый ток (3-5 мА) Тип модуляции (частотная) Рабочая частота (88-108МГц. Жучек состоит из небольшого количества элементов. Все детали подобраны так, чтобы их можно легко купить. Схема состоит из передатчика и микрофонного усилителя. Резистор R1 – ограничивает ток поступающий на транзистор. Колебательной контур C2–L1 - задет частоту самого жучка. На транзисторе VT2 – собран микрофонной каскад усиления, что позволяет услышать даже тихий шепот. Подстроечный резистор R5 регулирует чувствительность микрофона. Обязательное условие – R3 = R2. Что бы собрать этот жучек нам понадобится: Резистор на 100 Ом Резистор на 10 кОм – 3 шт. Резистор на 330 кОм Резистор на 2 кОм (подстроечный) Конденсатор на 102 пФ -3 шт. Конденсатор на 10 мкФ -2 шт. Конденсатор на 10 пФ 2 шт. Транзистор КТ315 – 2 шт. Медная проволока диаметром 0.3мм - 10см. Медная проволока диаметром (0.5-1мм) – для антенны. Микрофон электретный 1шт типа «сосна». Припой, канифоль, паяльник. Резисторы R2 –R3 – можно повысить номиналы примерно на 5 кОм, но они должны быть одинаковыми. Конденсаторы C5 - C4 можно увеличить до 400 пФ, но частота изменится. Транзистор VT1 можно заменить на КТ368, или на С9018 , при этом дальность увеличится. Транзистор VT2 можно заменить КТ3102, или ВС547, на чувствительность микрофона это почти не повлияет. Настраивать жучек достаточно просто. Включаешь радиоприемник , ставишь где то 1-2 м от устройства. Если при включении звук изменился – работает! Потом ищем частоту, на какой будет слышно твой голос. Отходишь от жучка и ищешь частоту, на какой дальность приема самая большая, потому, что он имеет множество «фальшивых частот», дальность приема на каких не превышает 15 метров. Потом надо наладить чувствительность микрофона, подстроечным резистором регулируем, пока слышимость не будет максимальная. Так же вместо конденсатора C2 можно поставить подстроечный конденсатор 8 …32 пФ. Крутя головкой конденсатора можно изменять частоту генерации жучка. Настраивать частоту можно сдвиганием – раздвиганием витков катушки L1. Скачайте прикрепление к "Простой и хороший FM жучек"
Скачать
Поделись с друзьями в социальных сетях Реклама Похожие материалы: | |
|
| |
| Всего комментариев: 0 | |
Дорогие друзья!
Если у Вас есть желание поделится своими разработками, присылайте их мне на почту
Материал должен состоять из названия, схемы, описания с указанием имени автора, прошивки (если есть) и фото внешнего вида разработанного устройства.
Интересные разработки поощряются материально!
Здравствуй Гость, как Вы видите еще никто не оставил свой комментарий, будьте первым, поделитесь мнением о материале выше.

