Автор разработки: abrosov2012
Схема принципиальная Радиоприемное устройство прямого усиления ДВ, СВ диапазонов
Большинство радиолюбителей начинали свою творческую деятельность с знакомства с радиоприёмными устройствами. Детекторный приёмник – три детальки и, о чудо, оно работает! Вся родня, все друзья и знакомые чуть ли не силой притягивались на просмотр или прослушку, а дальше вопросы: что, где, как и почему. И вопросов больше, чем ответов.… И, возьму на себя ответственность утверждать, что построение РПУ начинающими радиолюбителями остаётся актуальным и сей час. Да, мой дорогой скептик, диапазон ДВ, СВ сейчас практически пуст, прогресс не остановить! Но на этих конструкциях можно и нужно прививать начинающим умение учиться, дать им навыки эффективных и безопасных приёмов труда. В этой статье я хочу поделиться с одной из таких разработок, рассказать начинающим что, как и зачем, познакомить не навящего с простейшими расчётами. А как мне это удалось (не удалось), об этом судить Вам!
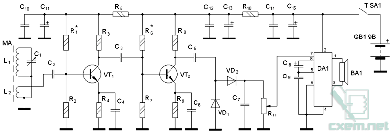
Приемник (см. рисунок ниже) состоит из магнитной антенны МА, двухкаскадного усилителя радио частоты (УРЧ), амплитудного детектора и усилителя звуковой частоты (УЗЧ) на микросхеме.

Основные принципы, заложенные при проектировании РПУ:
простота конструкции;
высокая повторяемость;
не критичность к применяемым деталям;
простота в настройке.
Применяемые детали:
R1 - 20 кОм
R2 - 3.6 кОм
R3 - 3,6 кОм
R4 - 1,2 кОм
R5 - 150 Ом
R6 - 20 кОм
R7 - 3,6 кОм
R8 - 3,6 кОм
R9 - 1,2 кОм
R10 - 150 Ом
R11 - 10 кОм
C1 - 5-380 пФ
C2 - 6800 пФ
C3 - 6800 пФ
C4 - 0,047 мкФ
C5 -6800 пФ
C6 - 0,047 мкФ
C7 - 6800 пФ
C8 - 10 мкФ x 10 В
C9 - 0,1 мкФ
C10 - 0,1 мкФ
C11 - 10 мкФ x 10 В
C12 - 0,1 мкФ
C13 - 10 мкФ x 10 В
C14 - 0,1 мкФ
C15 - 10 мкФ x 10 В
VT1 - КТ3102
VT2 - КТ3102
VD1 - КД522
VD2 - КД522
DA1 - TDA2822M
Приемная антенна, предназначенная для улавливания энергии радиоволн, представляет собой катушку индуктивности L1 намотанную на ферритовом стержне. Настройка антенного контура на желаемую волну осуществляется конденсатором переменной емкости С1, подключенным параллельно выводам катушки L1. В описываемом приемнике используется конденсатор переменной емкости 5/380 пФ. С помощью такого конденсатора можно изменять длину принимаемой волны примерно в 7 раз. Максимальная длина волны выбрана равной 2000 м, следовательно, минимальная состоит около 280 м. То есть приемник настраивается на желаемую радиостанцию без каких-либо переключений только с помощью одного конденсатора переменной емкости в диапазоне длинных и средних волн. Правда, при этом, оказывается неохваченным участок диапазона от 200 до 280 м. В случае необходимости диапазон принимаемых радиоволн может быть смещен в сторону более коротких волн, для чего следует несколько уменьшить число витков катушки индуктивности L1.
Принятая антенной энергия радиоволн создает в катушке L1 электродвижущую силу (ЭДС), величина которой для данного приемника составляет 5-10 мВ при средней напряженности поля, равной 20-40 мВ/м. В то же время известно, что для неискаженной работы детектора приемника требуется напряжение не менее 20-30 мВ. В связи с этим между магнитной антенной и детектором необходимо иметь усилитель радио частоты.
Подключить вход обычного усилителя РЧ на транзисторах ко всему контуру магнитной антенны нельзя. Дело в том, что сопротивление настроенного контура в резонанс с радиостанцией исчисляется сотнями килоом, тогда как входное сопротивление усилителя – около 1 кОм, то есть примерно в сотни раз меньше.
Поэтому на вход усилителя подается не всё напряжение, развиваемое на контуре, а только его некоторая очень небольшая часть. Делается это обычно с помощью катушки связи L2, находящейся на стержне магнитной антенны рядом с катушкой индуктивности L1. Количество витков катушки связи берется в 20-30 раз меньше, чем количество витков контурной катушки. В данном приемнике катушка индуктивности L1 содержит 250 витков, а L2 всего 10 витков. Таким образом, напряжение на катушке L2 будет в 25 раз меньше, чем на катушке L1 и составит всего 200-400 мкВ.
Поскольку для нормальной работы детектора требуется напряжение сигнала не менее 20-30 мВ, то усилитель РЧ должен увеличить входной сигнал в 100-150 раз. На практике всегда необходимо иметь запас усиления хотя бы в 2-3 раза. Поэтому реальный коэффициент усиления по напряжению усилителя ВЧ должен составлять не менее 300-500. Обеспечить столь большое усиление можно только с помощью двухкаскадного усилителя РЧ.
Усилитель радио частоты приемника состоит из двух одинаковых каскадов, выполненных на транзисторах VT1 и VT2 по апериодической схеме. Первый каскад включает в себя транзистор VT1 три резистора цепи стабилизации режима работы транзистора по постоянному току (R1, R2, R4), сопротивление коллекторной нагрузки – резистор R3, переходный конденсатор С2 и блокировочный С4, шунтирующий резистор R4 по переменному току.
Напряжение сигнала на катушке индуктивности L2 вызывает в цепи базы транзистора ток, который усиливается в цепи коллектора. Часть усиленного тока протекает через резистор R3, остальной ток через переходный конденсатор С3 поступает в цепь базы транзистора VT2. За счет усиления по току, обеспечиваемого первым каскадом, напряжение сигнала на входе второго каскада становится больше, чем на катушке индуктивности L2. В зависимости от усилительных свойств применяемых транзисторов первый каскад может обеспечивать усиление по напряжению от 10 до 30 раз.
Второй каскад работает точно так же, как и первый, отличие заключается в величине оконечной нагрузки. Если основной нагрузкой первого каскада по переменному току является низкоомное входное сопротивление второго каскада, то для второго каскада такой нагрузкой является относительно высокоомное входное сопротивление детектора. За счет большего сопротивления оконечной нагрузки коэффициент усиления второго каскада по напряжению составляет около 50 и мало изменяется при смене транзисторов. Таким образом, общее усиление по напряжению до детектора может составлять примерно (10 – 30)*50 = 500-1500 раз.
Усилительные свойства каскада зависят как от типа применяемых транзисторов, так и от режима их работы. Транзистор может обеспечить значительное усиление сигнала только в том случае, когда его коэффициент передачи по току был больше 10, а максимальная частота усиливаемого сигнала, по крайней мере, в 20-30 раз была меньше предельной частоты транзистора.
В данном случае максимальная частота сигнала может составлять 1,1 - 1,5МГц (длина волны 200-280м), а поэтому предельная частота применяемых транзисторов должна быть не менее 20-45 МГц. Этому условию удовлетворяют транзисторы КТ3102.
Следует иметь в виду, что даже самый хороший транзистор будет работать неудовлетворительно, если не установить необходимый для него режим. Под режимом работы транзистора понимают постоянное напряжение между коллектором и эмиттером, часто называемое просто напряжением коллектора, и постоянный ток коллектора (или эмиттера). Для большинства типов низкочастотных и высокочастотных транзисторов, работающих в каскадах усиления напряжения, обычно рекомендуется следующий режим: напряжение коллектора от 2,5 до 9 в, ток коллектора от 0,5 до 2 мА. Усилительные свойства транзисторов улучшаются с увеличение напряжения и тока, но при этом возрастает расход энергии источника питания. В карманных и портативных приемниках, питаемых от малогабаритных батарей с ограниченным сроком службы, экономное расходование энергии имеет большое значение. Поэтому в данном приемнике был выбран некоторый средний режим, а именно: ток коллектора 1 -1,1 мА, напряжение на коллекторе около 4,2 В.
Режим работы транзисторов стабилизирован с помощью трех постоянных резисторов, один из которых (R4 и R9) включен в цепь эмиттера, два других (R1, R2 и R6, R7) образуют делитель напряжения в цепи базы. Для того чтобы режим работы не зависел от параметров применяемых транзисторов и колебаний температуры, указанные элементы смещения должны быть подобранны таким образом, чтобы постоянное напряжение на резисторе в цепи эмиттера было не менее 1,2 В, а собственный ток делителя напряжения составлял не менее одной четвертой части от тока коллектора. При выбранном значении тока коллектора в этом случае сопротивление резистора в цепи эмиттера должно составлять 1,2В*1мА=1,2кОм, а сопротивление резистора нижнего плеча делителя напряжения необходимо выбирать примерно в 3-4 раза больше значения резистора в эмиттера. Величины сопротивлений резисторов R4 и R9 выбраны равными 1,2кОм. Сопротивление коллекторной нагрузки транзисторов VT1 и VT2 можно определить из соотношения: Rн=0,4*Еп/Iкп=0,4*9В/1мА=3,6кОм, а падение напряжения на них составит Urн=Rн*Iкп=3,6кОм*1ма=3,6В При этом, сопротивление резистора нижнего плеча делителя напряжения станет равным 1,2кОм*(3-4)=3,6 – 4,8кОм. Для уменьшения количества номиналов резисторов следует принять R2=R7= R3= R8=3,6 кОм. Сопротивление резистора верхнего плеча делителя (R1 и R6) определено из условия: R1=R6=2,4*(Eп-Urэ)/Iкп=2,4*(9В-1,2В)/1мА=20кОм.
При токе коллектора, равном 1-1,2 мА, постоянное напряжение на коллекторе относительно «минуса» питания составит около 3,6 В, а напряжение на эмиттере относительно «минуса» примерно 1,2 В. В этом случае напряжение на коллекторе относительно эмиттера составит около 4,2 В. Реальные значения токов и напряжений могут отличаться от указанных в пределах ±10%, что связано с разбросом параметров как самих транзисторов, так и резисторов смещения.
Конденсаторы С2, С3, С5 являются переходными. Они предназначены, во-первых, для разделения между собой каскадов по постоянному току, во-вторых, для передачи с возможно меньшими потерями выходного напряжения одного каскада на вход последующего. Величина емкости переходного конденсатора должна быть такой, чтобы ее сопротивление на самых низких частотах усиливаемого сигнала было в несколько раз меньше входного сопротивления последующего каскада.
Для усилителя ВЧ минимальная частота равна 150 кГц (длина волны 2000 м), а входное сопротивление усилительного каскада составляет в среднем несколько сотен Ом. Для удовлетворения требуемого условия емкость конденсаторов С2, С3, должна быть не менее 6000 пФ. За счет более высокого входного сопротивления детектора емкость конденсатора С5 может быть уменьшена до 2000-3000 пФ. В данном случае с целью уменьшения количества используемых номиналов величина переходных конденсаторов С2, С3, C5, выбрана равной 6800 пФ.
Можно использовать конденсаторы емкостью 2200 или 3300 пФ, но тогда будет наблюдаться некоторое уменьшение усиления на самых низких частотах.
Конденсаторы С4 и С6 являются блокировочными. Они предназначены для шунтирования резисторов R4 и R9 по переменному току. Емкость этих конденсаторов должна быть такой, чтобы их сопротивление на самых низких усиливаемых частотах не превосходило величины выходного сопротивления каскада со стороны эмиттера. Обычно это сопротивление в несколько раз меньше входного сопротивления каскада, поэтому емкость блокировочного конденсатора должна быть в несколько раз больше емкости переходного конденсатора. В данном приемнике конденсаторы С4 и С6 выбраны равными по 0,047 мкФ.
Необходимо указать назначение конденсаторов С10 - С15 и резисторов R5 и R10. Конденсаторы C11, C13, С15 шунтируют по переменному току батарею питания, ослабляя действие обратной связи между каскадами через внутреннее сопротивление батареи. Резисторы R5, R10 и конденсаторы С10,С12, C14 образуют развязывающий фильтр, препятствующий возникновению положительной обратной связи между каскадами УРЧ, а так же препятствуют проникновению сигналов ВЧ по цепям питания в усилитель НЧ и наоборот.
Детекторный каскад. Сигнал ВЧ с выхода транзистора VT2 поступает на вход детекторного каскада, выполненного по схеме с удвоением напряжения. В детекторный каскад входят переходный конденсатор С5, диоды VD1 и VD2, конденсатор С7 и резистор R11. Выделение электрических колебаний звуковой частоты из ВЧ сигнала осуществляется диодами VD1 и VD2. Резистор R11 и конденсатор С7 образуют фильтрующую цепочку, сопротивление которой велико для постоянного тока и тока электрических колебаний звуковых частот и очень мало для токов РЧ. В результате этого падение напряжения ЗЧ на резисторе R11 значительно больше, чем РЧ величиной которого можно не считаться.
Усилитель мощности звуковой частоты. Продетектированный низкочастотный сигнал через регулятор громкости R11 поступает на микросхему УМЗЧ DA1 (TDA2822M), включенную по мостовой схеме для достижения максимальной выходной мощности при минимуме потребляемой энергии, при этом нужно всего два внешних конденсатора – С8 и С9.
Громкоговорителем может служить любая динамическая головка мощностью от 0,1 Вт и сопротивлением от 6 Ом и выше. Применив головку сопротивлением 25..50 Ом и, потеряв в громкости приема, удается значительно уменьшить потребляемый приемником ток.
Детали, конструкция и монтаж. В приемнике применяются готовые детали. Самодельными являются катушки магнитной антенны, монтажная плата. Пайку соединений производят свинцово-оловянным припоем, например ПОС-90. В качестве флюса применяется канифоль в твердом или жидком виде. Следует иметь в виду, что полупроводниковые приборы, малогабаритные конденсаторы и резисторы очень чувствительны к перегреву. Поэтому пайку следует производить маломощным паяльником (не более 50 Вт), не перегревая его. Прикосновение к месту соединения должно быть непродолжительным.
Настройка и работа с приемником. После окончания сборки внимательно проверяют правильность выполнения монтажа и расположения деталей, включения транзисторов и диодов. Только после этого подсоединяют источник питания. Затем к разомкнутым контактам выключателя питания подключают миллиамперметр на 10-30 мА.
Если все применяемые детали исправны и монтаж осуществлен правильно, то прибор покажет ток в пределах 6-8 мА. При значительно большем или меньшем токе следует отключить питание и вновь проверить весь монтаж.
Исправность каскадов усиления РЧ проверяют по показаниям вольтметра постоянного тока, включаемого между плюсовым проводом питания и соответствующими электродами транзисторов. Если измеренные значения отличаются от указанных не более чем на ±10%, то каскады можно считать исправными. В случае неисправности показания могут отличаться на 25-30 % и более.
Убедившись в правильности установленных режимов, приступают к настройке приемника. С этой целью регулятор громкости устанавливают в положение наибольшей громкости и вращением ручки настройки добиваются приема одной из местных радиостанций. Следует помнить о направленности приема магнитной антенной. Громкость приема будет наибольшей, когда продольная ось антенны расположена горизонтально и направлена перпендикулярно к направлению на станцию.
Скачайте прикрепление к "Радиоприемное устройство прямого усиления ДВ, СВ диапазонов"
Скачать
Поделись с друзьями в социальных сетях
Реклама
Похожие материалы:
|