menu
person

Иногда в конструкциях (от игрушек до сигнализации) требуется прерывистая работа индикаторов, сирены или аварийной мигалки. Это необходимо, чтобы обеспечить экономичность работы, т. к. значительно снижает потребляемую энергию, что особенно важно, если источником питания является батарея или аккумулятор, например в автомобиле.

Обычно такие устройства, для по ... Читать дальше »

Категория: Схемы радиолюбителю | Просмотров: 3643 | Добавил: саня | Дата: 2009-07-14 | Комментарии (1)

  • При детектировании входящего звонка мигает светодиод.
  • Питание схемы от одной батарейки 1.5 В


R1 Резистор 100 кОм ¼ Вт
R2 Резистор 3.9 кОм ¼ Вт
R3 Резистор 1 МОм ¼ Вт
... Читать дальше »
Категория: Схемы радиолюбителю | Просмотров: 6242 | Добавил: саня | Дата: 2009-07-12 | Комментарии (1)

Данный индикатор предназначен для более точной настройки антенны спутникового телевидения на спутник, что в конечном итоге обеспечивает более качественный прием TV сигнала.
На рисунке изображена схема индикатора для настройки антенн спутникового телевидения

Категория: Схемы радиолюбителю | Просмотров: 5858 | Добавил: саня | Дата: 2009-07-12 | Комментарии (0)

Удобным, а иногда и просто необходимым, элементом современного электроинструмента, такого как электродрель, электропила, болгарка, электролобзик, электромясорубка и многих других, является регулятор скорости вращения электромотора. В самых дешевых моделях таких регуляторов нет вообще, а в дорогих устанавливаются простейшие миниатюрные встроенные в ручку. Габариты такого устройства не позволяют обеспечить необходимый запас ... Читать дальше »

Категория: Схемы радиолюбителю | Просмотров: 11652 | Добавил: саня | Дата: 2009-07-11 | Комментарии (0)

Предлагаемое устройство — один из вариантов микроконтроллерных регуляторов яркости ламп накаливания, конструкции которых можно найти во всемирной сети интернет и в радиолюбительской литературе. В подобных регуляторах обычно используется один из четырех способов управления: от собственного пульта; от пульта, работающего по какой то одной системе ИК ДУ с выбором и запоминанием клавиш управления; от любого пульта с запоминанием кода клавиши; от любого пульта при нажатии любой клавиши опред ... Читать дальше »

Категория: Схемы радиолюбителю | Просмотров: 11141 | Добавил: саня | Дата: 2009-07-10 | Комментарии (1)

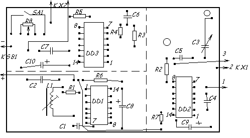
Это электронное устройство, предназначенное для обнаружения металлических предметов под покровом снега, грунта, камня, в куче мусора.
Принцип работы металлоискателя основан на сравнении частот двух генераторов, один из которых образцовый, а второй измерительный- изменяет частоту своих колебаний при приближении к металлическим предметам. Устройство может "различать" цветный и черные металлы. В нем три микросхемы. Тем не менее он прост в изготовлении и налаживании

Категория: Схемы радиолюбителю | Просмотров: 12834 | Добавил: саня | Дата: 2009-07-10 | Комментарии (2)

Принципиальная схема ультразвуковой «пищалки», способной работать в широком спектре частот, показана на рис. 93. Здесь ВА1 - мощная высокочастотная динамическая головка, например, 6ГДВ-4, - источник акустических колебаний. Хотя по паспорту высшая частота излучения высокочастотных динамических головок может быть отнесена лишь к «ближнему» ультразвуку, опыт показывает, что они являются вполне эффективными излучателями частот до 40...50 кГц и выше.

Задающий г ... Читать дальше »

Категория: Схемы радиолюбителю | Просмотров: 7022 | Добавил: саня | Дата: 2009-07-10 | Комментарии (2)

« 1 2 3 4 5 6