Автор разработки: А. В. Остапчук
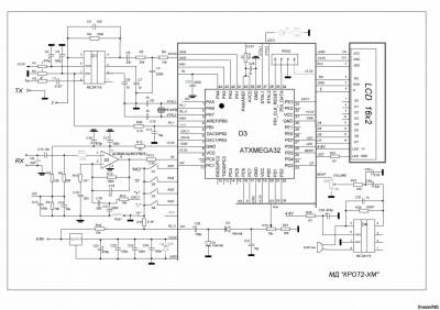
Схема принципиальная Cелективный микроконтроллерный металлодетектор "КРОТ2-ХМ"
Монета диаметром 25мм (грунт) до 30-35 см
Каска ---- до 1.0м
Максимальная ---- до 3.0м
Звуковая индикация выбираемая, от 2 до 10 тонов
Визуальная индикация симв. ЖКИ 16х2
Принцип работы IB
Датчик диаметр 25-30 см
Диапазон возможных рабочих частот 6-9 кГц
Напряжение питания 4.8-8 В
Номинальный ток потребления не более 100 мА (без подсветки)
Основные функциональные возможности
* Режимы работы: динамический, статический -пинпоинтер.
* Числовая и графическая индикация ВДИ и амплитуды.
* Многотональная звуковая индикация цветных и черных металлов.
* Индикация напряжения питания.
* Наличие дискриминатора: цветные -9 сегментов с шагом 10 гр.
Железо - 5 сегментов с шагом 20 гр.
* Настройка чувствительности отдельно для "цветных" и "черных" целей - от 0 до 9
* Наличие функции отстройки (баланса) грунта.
* Наличные включаемой-выключаемой подсветки.
* Наличие автоматических и ручных цифровых режимов настроек:
Автоматический или ручной баланс датчика.
Автоматическая или ручная настройка на резонанс рабочей частоты датчика.
Автоматическая или ручная настройка на ноль показаний АЦП.
Автоматическая или ручная настройка фазы по ферриту.
Автоматическая или ручная настройка баланса грунта.
Ручная регулировка мощности накачки передающей части.
Ручная регулировка чувствительности приемной части.
Ручная настройка показаний напряжения питания.
* Удобный и простой интерфейс.
* Автоматическая запись всех настроек в энергонезависимую память
* Простая настройка под разные IB датчики
* Возможность создания профилля для конкретного датчика.

Данные для катушки DD частота ~8.5 кГц, диаметром 25-27 см
Количество витков передающей TX ~45 витков провода 0.4-0.5мм С1=0.3 мкф
Количество витков приемной RX ~200 витков провода 0.15-0.22 мм С0=0.022 мкф или С0=0.
Разнос частот между TX и RX получается около 1,5 кГц Ftx>Frx
"Крот-2" хорошо работает и с без резонансной RX, когда C0=0; - особенно рекомендуется для начинающих
Все подробности на официальном сайте
Скачайте прикрепление к "Cелективный микроконтроллерный металлодетектор "КРОТ2-ХМ""
Скачать
Источник: http://radiodom.ucoz.ru/index/selektivnyj_mikrokontrollernyj_metallodetektor_quot_krot2_m_quot/0-17
Поделись с друзьями в социальных сетях
Реклама
Похожие материалы:
|