19:48 Универсальный измерительный прибор "АВО-2006" | |
|
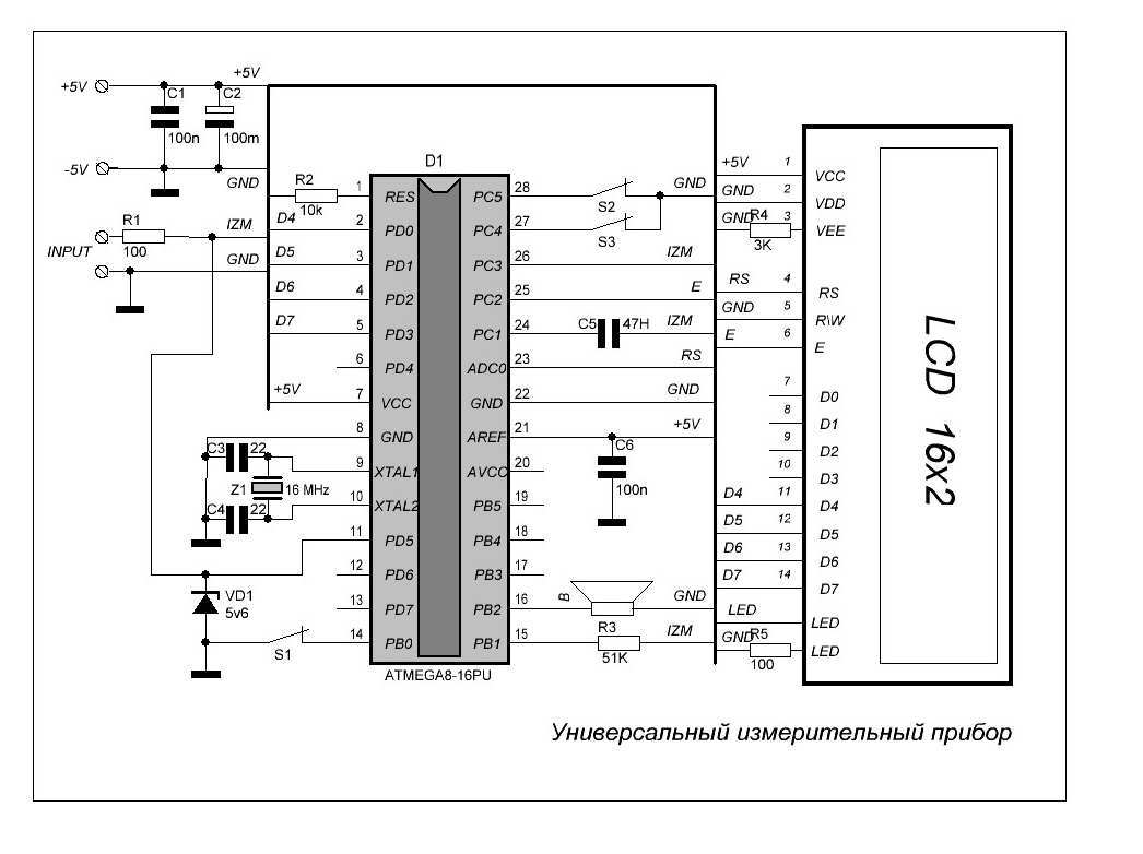
Автор разработки: Электродыч Схема принципиальная Универсальный измерительный прибор "АВО-2006"Частотомер, генератор, осциллограф, измеритель емкости и сопротивленияПри монтаже индикатора смотрите описание, выводы питания бывает по разному ! Нужно соединить 20 и 21 ноги микроконтроллера! R2 сажать на +5В. Кнопки нормально - разомкнуты. Конденсатор С5 термостабильный! Функциональные возможности * Наличие функции измерение частоты с возможностью изменения времени измерения и выводом значение частоты и длительности на дисплей. * Наличие функции генератора с возможностью изменение частоты во всем диапазоне с шагом 1-100 Гц и выводом значение частоты и длительности на дисплей. * Наличие функции осциллограф – позволяющей визуализировать форму сигнала и измерить его амплитудное значение. * Наличие функции измерения емкости позволяет измерять емкость во всем диапазоне * Наличие функции измерения сопротивления позволяет измерят во всем диапазоне * Наличие функции измерения напряжения в режиме осциллограф * Наличие режима автокалибровки в режимах измерения емкости и измерения сопротивления * Наличие входного универсального разъема для подключения кабеля для всех пяти режимов работы. * Наличие символьного дисплея с подсветкой размером 2 строки по 16 символов. * Наличие трех кнопок управления: «кнопка переключения режимов3»-3, «кнопка увеличения значения параметра»-1 и «кнопка уменьшения значения параметра»-2. Технические характеристики Простая и легко повторяемая схема! Диапазон измерения частоты Гц 0.1-15000000 Диапазон генерации частоты Гц 0-100000 Количество точек по горизонтали для осциллографа Шт 16 Количество точек вывода по вертикале для осциллографа Шт 8 Диапазон чувствительности входа осциллографа В 3-5 Диапазон измерения емкости мкФ 0.00001 – 2000 Диапазон измерения сопротивления ОМ 1 - 200000000 Напряжение питания В 5 Рабочая температура оС 0 - +60 Размеры мм 150х150х50 Порядок работы Включить прибор на экране дисплея временно (1 Сек) появится сообщение «Измерение R» и прибор перейдет в режим измерения сопротивления. Переход из одного режима в другой осуществляется циклически при помощи кнопки переключения режимов «3» в порядке: «Измерение R», «Измерение С», «Осциллограф», «Генератор», «Частотомер». При переходе из режима в режим осуществляется кратковременная индикация названия режима. В режиме «Генератор» изменение частоты генерации происходит кнопками «1» - (увеличение частоты) и «2» (уменьшение частоты). В режиме «Осциллограф» кнопками «1» и «2» производится изменение времени развертки, измерение уровня сигнала происходит автоматически с индикацией его значения. В режимах «Измерение емкости С» и «Измерение сопротивления R» переключение диапазонов измерения происходит автоматически. Калибровка нуля (в режиме измерения "R" соединить щупы, в режиме "С" разъединить щупы) в этих режимах происходит нажатием и удержанием кнопки «1»,с последующей записью в память кнопкой «2» до появления "OK". Калибровка для "R" осуществляется по номиналу 1000 ом, для "С" 1000пф нажатием и удержанием кнопки «2» с последующей записью в память кнопкой «1». От точности этих калибровочных элементов будит зависеть точность прибора во всем диапазоне! Изменение время измерения частоты осуществляется кнопкой «1», позволяющей измерять частоту с точностью до 0.1 Гц. Само время измерения (Сек) индицируется в крайнем правом знакоместе верхней строки. Примечание: Для увеличения точности измерений в области малых величин емкости и сопротивлений (порядка единиц), можно увеличить R2 и С5 соответственно. Точность измерения еще зависит и от типа примененного стабилитрона VD1, он предназначен для защиты входа от больших напряжений. В принципе его можно и не ставить. Обсуждение схемы на форуме автора Скачайте прикрепление к "Универсальный измерительный прибор "АВО-2006""
Скачать
Поделись с друзьями в социальных сетях Реклама Похожие материалы: | |
|
| |
| Всего комментариев: 0 | |
Дорогие друзья!
Если у Вас есть желание поделится своими разработками, присылайте их мне на почту
Материал должен состоять из названия, схемы, описания с указанием имени автора, прошивки (если есть) и фото внешнего вида разработанного устройства.
Интересные разработки поощряются материально!
Здравствуй Гость, как Вы видите еще никто не оставил свой комментарий, будьте первым, поделитесь мнением о материале выше.


