07:15 Простой LED фонарь из доступных компонентов | |
|
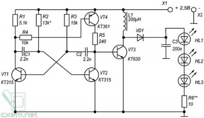
Автор разработки: Дмитрий Кокойло Схема принципиальная Простой LED фонарь из доступных компонентовПредлагаю вниманию простую в повторении, но имеющую неплохие характеристики, схему светодиодного фонарика, к тому-же не требующей микросхем, и иных труднодоступных компонентов.Схема представляет собой обычный повышающий стабилизатор – бустер. Особенностью является задающий генератор, аналога мне найти не удалось, фактически это гибрид мультивибратора и мультивибратора с активной нагрузкой. В результате получился генератор, способный работать в широком диапазоне напряжения питания, начиная с 1В., имеющий низкое выходное сопротивление, и как следствие способный отдать в нагрузку значительный ток (вытекающий ток ограничен максимальным током коллектора VT4). Кроме того, он экономичен - ток потребления около 2,5 мА., и имеет ровный прямоугольный сигнал на выходе с короткими фронтами. На рисунке № 1 приведена схема исходного варианта, в ней не предусмотрено стабилизация тока через светодиоды. Частота генерации порядка 45 кГц, КПД около 80%, ток нагрузки регулируется подбором R2. Конструкция и детали: схема рассчитана на начинающих радиолюбителей, получилась абсолютно не требовательна к деталям, в качестве VT1, VT2 и VT4 подойдут любые средне или высокочастотные транзисторы соответствующей проводимости, с коэффициентом усиления не менее 100. Дроссель может иметь любую конструкцию, индуктивность некритична и может иметь значительный разброс. В авторском варианте применялись две конструкции. Первый на сердечнике СБ 14 из феррита 2000НМ с зазором 0,2 мм., провод диаметром 0,25 мм. до заполнения каркаса. Второй на ферритовом 2000НМ стержне диаметром 2 мм длинной 30мм, намотка в три слоя тем же проводом, длинна намотки приблизительно 2 см, каждый слой крепился с помощью "суперклея". При изготовлении или подборе готового дросселя необходимо обращать внимание на сопротивление обмотки, чем ниже, тем лучше. В качестве VT3 желательно выбирать ключевые транзисторы с низким напряжением насыщения, хотя преобразователь работает с любым транзистором, но страдает КПД. Диод поставил первый попавшийся импульсный – КД522, при наличии малогабаритного Шотки еще лучше. Конденсатор С3 – керамический, если есть возможность увеличить до 1 мкФ то желательно поставить – не помешает. Несколько слов о R6, он, конечно немного портит КПД но зато позволяет снизить броски тока через светодиоды, если их не жалко то можно его исключить. Настройка: после сборки устройство, если монтаж выполнен без ошибок, начинает работать сразу, однако ток нагрузки необходимо проверить и отрегулировать. Регулировка заключается в изменении сопротивления резистора R2. Настройку производят при максимально возможном напряжении питания, по мере снижения Uпит. ток, и соответственно яркость светодиодов будет снижаться. На рисунке №2 приведена схема со стабилизацией выходного тока, для этого в схему введен дополнительный транзистор, и увеличен номинал R6. Конструкция и работа схемы аналогична вышеописанной. Настройка имеет особенности связанные с наличием цепи стабилизации. Вначале отключив стабилизацию тока, например не впаивая VT5, при минимальном Uпит выставляем, как описано выше, номинальный ток светодиодов. Затем, задействовав стабилизацию, при максимальном Uпит снова его устанавливаем, но уже подбором R6. Разумеется, такую стабилизацию назвать прецизионной невозможно, но для данного устройства ее вполне достаточно. Реально схема работала в диапазонах 2,0 – 2,6 В; 2,5 – 3,6В. при этом ток нагрузки изменялся в пределах 3-4 мА. В заключение замечу, что данная схема имеет значительный запас по выходному току без замены номиналов основных деталей, так при настройке в нагрузке ток порой достигал 80 мА. Поэтому настройку желательно проводить без светодиодов, заменив их эквивалентной нагрузкой. Прикрепления: Картинка 1 · Картинка 2
Поделись с друзьями в социальных сетях Реклама Похожие материалы:К сожалению, похожего ничего не нашлось!
| |
|
| |
| Всего комментариев: 0 | |
Дорогие друзья!
Если у Вас есть желание поделится своими разработками, присылайте их мне на почту
Материал должен состоять из названия, схемы, описания с указанием имени автора, прошивки (если есть) и фото внешнего вида разработанного устройства.
Интересные разработки поощряются материально!
Здравствуй Гость, как Вы видите еще никто не оставил свой комментарий, будьте первым, поделитесь мнением о материале выше.


