15:07 Простая цветомузыкальная приставка на тиристорах | |
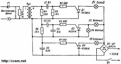
Схема принципиальная Простая цветомузыкальная приставка на тиристорахНа рис.1 приведена принципиальная схема простой цветомузыкальной приставки на тринисторах Д1—ДЗ. Она содержит три цветовых и один фоновый канал. Питание приставки осуществляется от сети переменного тока напряжением 220 В с помощью выпрямителя, смонтированного на диодах Д4—Д7 по мостовой схеме. Минусовый провод выпрямителя подключен к катодам всех тринисторов, а плюсовый — через лампы накаливания Л1, Л2, Л3 подключен к анодам тринисторов. Общая мощность ламп, включенных в каждый канал, не должна превышать 300 Вт. Лампа фоновой подсветки Л4 подключена параллельно тринистору Д2. С выхода УНЧ приемного устройства (радиолы, электрофона) — звуковой катушки динамической головки — сигнал НЧ поступает на разъем Гн1 и переменный резистор R1. С движка этого резистора напряжение НЧ подается на обмотку I трансформатора Тр1. Вторичная обмотка II этого трансформатора присоединена ко входу фильтров всех трех каналов. Переменный резистор R1 служит для коррекции уровня сигнала на входе фильтров. Необходимость этого резистора вызвана тем, что при большом сигнале лампы Л1—Л3 включаются и выключаются одновременно, в такт с изменением громкости. При этом изменение тональности не влияет на работу ламп. Здесь сказывается несовершенство разделительных фильтров. Частично бороться с этим недостатком можно с помощью резистора R1, позволяющего обеспечить более четкое включение и выключение ламп отдельных каналов. Повышающий трансформатор Тр1 обеспечивает надежность отпирания тринисторов Д1—Д3. Обычно для этого входное напряжение на вторичной обмотке трансформатора, т. е. на входе фильтров, должно быть около 2—3 В. В то же время напряжение на звуковой катушке приемника может быть ниже этого значения. Кроме того, трансформатор развязывает сеть переменного тока от приемника, с которым работает ЦМП, что необходимо для соблюдения техники безопасности. Фильтр С1R3 пропускает высшие частоты, ослабляя низшие и средние. Лампа канала высших частот (Л1) окрашена в синий цвет. Фильтр R4С2С3 пропускает средние частоты, ослабляя низшие и высшие. И наконец, фильтр R4R6С4 пропускает нижние частоты, ослабляя верхние и средние. В каналах средних и нижних частот лампы Л2, Л3 окрашены в зеленый и красный цвета соответственно. Работает приставка следующим образом. При отсутствии сигнала все тринисторы закрыты и осветительные лампы Л1, Л3 в каналах верхних и нижних частот не светятся. В канале средних частот лампы Л2, Л4 будут светиться в полнакала (все напряжение с выхода выпрямителя делится поровну между лампами зеленого и желтого цветов). Когда на выходе фильтра этого канала появится сигнал НЧ и его значение будет достаточно для открывания тринистора Д2, лампа фона Л4 погаснет (она окажется закороченной открытым тринистором), а лампа Л2 засветится с полным накалом. Соответственно лампы Л1 и Л3 будут светиться только тогда, когда напряжения на выходе фильтров каналов верхних и нижних частот станут достаточными для открывания тринисторов Д1 и Д3. Следует напомнить, что тринистор открывается только положительной полуволной низкочастотного сигнала и закрывается каждый полупериод переменного напряжения сети. При изготовлении приставки в ней можно использовать постоянные резисторы МЛТ-1 или МЛТ-0,5, переменный резистор R1—проволочный, любого типа; постоянные конденсаторы МБМ или другие на рабочее напряжение не ниже 400 В. Трансформатор Тр1 выполнен на сердечнике Ш 12Х12. Первичная обмотка I содержит 210 витков провода ПЭЛ-1 0,2, обмотка II—3200 витков ПЭЛ-1 0,09. Тринистор КУ201К можно заменить на 2У201К, 2У201Л, КУ201Л, 2У201Ж и им подобные. В выпрямителе могут работать диоды (Д4— Д7) Д243А, Д245А, Д246А, которые без дополнительных теплоотводов способны обеспечить ток в нагрузке около 5 А. Конструктивное оформление приставки может быть самым разнообразным. Однако общие требования сводятся к соблюдению техники безопасности. Обязательно должна быть обеспечена надежная изоляция монтажной платы с диодами и тринисторами. Последние следует установить под гайку на дополнительный теплоотвод, в качестве которого можно использовать полоски латуни или дюралюминия толщиной 3—4 мм и размером 50 Х 150 мм. Монтаж теплоотводов с тринисторами и остальных деталей производится на плате из гетинакса или текстолита толщиной 3—4 мм. Если приставка собрана из заведомо проверенных и исправных деталей и выполнен правильно монтаж, она сразу начинает работать. Установив ручку переменного резистора R1 в крайнее нижнее по схеме положение, подключают сетевое напряжение 220 В и на вход приставки с выхода приемника, электрофона или магнитофона подают какую-либо музыкальную программу. Затем, постепенно увеличивая резистором R1 напряжение на входе низкочастотных фильтров, добиваются устойчивой работы приставки и наилучшего сочетания цветов на экране. Экраны могут быть любой конструкции. Некоторые радиолюбители оформляют экраны в виде декоративных настольных светильников или прожекторов, установленных в разных концах комнаты и свет от них направляют в середину потолка.Прикрепления: Картинка 1
Поделись с друзьями в социальных сетях Реклама Похожие материалы: | |
|
| |
| Всего комментариев: 0 | |
Дорогие друзья!
Если у Вас есть желание поделится своими разработками, присылайте их мне на почту
Материал должен состоять из названия, схемы, описания с указанием имени автора, прошивки (если есть) и фото внешнего вида разработанного устройства.
Интересные разработки поощряются материально!
Здравствуй Гость, как Вы видите еще никто не оставил свой комментарий, будьте первым, поделитесь мнением о материале выше.

