09:11 Музыкальный автомобильный сигнал | |
|
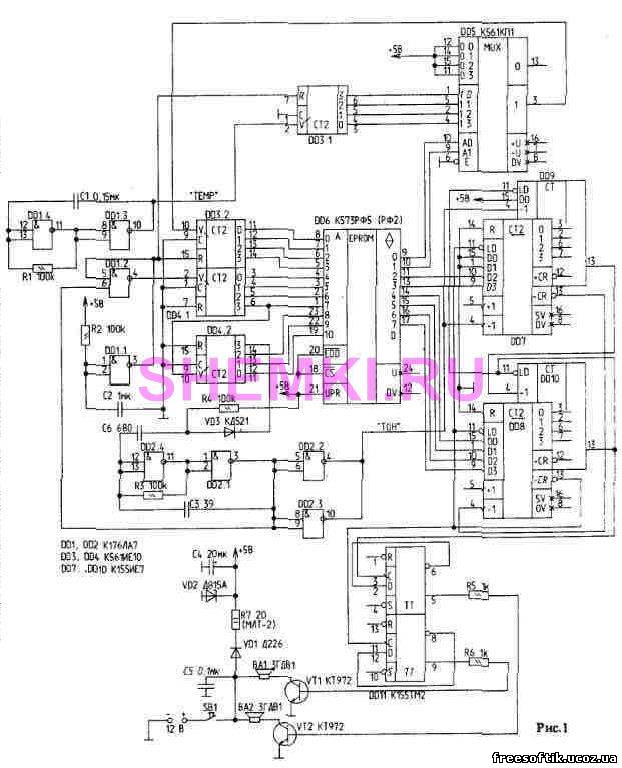
Автор разработки: А.Симутин Схема принципиальная Музыкальный автомобильный сигналКак показал опыт работы на всесоюзном рынке в течение 5 лет, музыкальные сигналы пользуются популярностью среди радиолюбителей. Конечно, возникает вопрос — где брать радиодетали? Они есть, главное — наличие денег. А какое нужно оборудование? Да никакого — нужны только электропаяльник, канифоль и припой, а главное — умелые руки. А как насчет корпуса изделия? Это совсем просто! Купите в магазине или на рынке два абонентских громкоговорителя, например, "Ритм-304", выпускаемых в г. Гомеле. Б один вставьте плату автосигнала "Сигма-94", а второй будет дополнительным. Динамические головки пойдут "родные", но с сопротивлением не менее 8 Ом. Переходные трансформаторы необходимо отключить, в некоторых случаях обмотку трансформатора (толстый провод) можно соединить последовательно с динамической головкой. Это повысит надежность работы динамиков. При контрольной проверке вышеописанных динамиков мелодии были слышны на расстоянии до 200 метров (при открытом капоте автомобиля). В "Сигме-94" (рис.1) только 6 разрядов используются для деления частоты тона, а 2 младших разряда управляют работой тактового генератора, повышая "узнаваемость" мелодий. С6, VD3, R4 по случайному закону изменяют тональность мелодий на одну октаву. В качестве стабилизатора применен стабилитрон и балластный резистор. Стабилитрон (можно использовать Д815Б) устанавливать на радиатор не обязательно. Двухваттный резистор R7 (200м) греется достаточно сильно, но работает даже при прослушивании всех мелодий подряд. На рис.2,3 приведены монтажная и печатная платы.![]()
Поделись с друзьями в социальных сетях Реклама Похожие материалы: | |
|
| |
| Всего комментариев: 0 | |
Дорогие друзья!
Если у Вас есть желание поделится своими разработками, присылайте их мне на почту
Материал должен состоять из названия, схемы, описания с указанием имени автора, прошивки (если есть) и фото внешнего вида разработанного устройства.
Интересные разработки поощряются материально!
Здравствуй Гость, как Вы видите еще никто не оставил свой комментарий, будьте первым, поделитесь мнением о материале выше.



