11:01 10W Мини-усилитель аудио на TDA 2003 | |
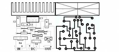
Схема принципиальная 10W Мини-усилитель аудио на TDA 2003Вы можете использовать этот мощный усилитель в любом небольшом аудио проекте. Он очень небольшой (6,5 х 4,5 см). Он выдает 10 Вт и использует 9В батарею. ![]() Прикрепления: Картинка 1
Поделись с друзьями в социальных сетях Реклама Похожие материалы:К сожалению, похожего ничего не нашлось!
| |
|
| |
| Всего комментариев: 0 | |
Дорогие друзья!
Если у Вас есть желание поделится своими разработками, присылайте их мне на почту
Материал должен состоять из названия, схемы, описания с указанием имени автора, прошивки (если есть) и фото внешнего вида разработанного устройства.
Интересные разработки поощряются материально!
Здравствуй Гость, как Вы видите еще никто не оставил свой комментарий, будьте первым, поделитесь мнением о материале выше.

